The T20 structure-borne sound probe can be used to monitor the condition of machines, systems and processes if they produce detectable structure-borne noise in the ultrasonic range. Changes in the sound signals indicate a change in the condition and/or process in the system. The detection of these changes forms the basis for condition monitoring in preventive maintenance. You can ensure the automatic monitoring of your systems and production processes by integrating the probes into a PLC and then implement them into your monitoring process.
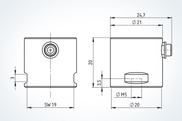
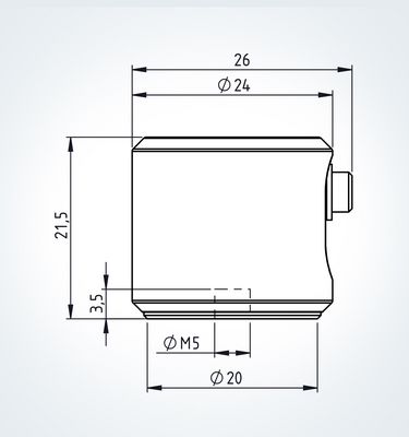
The T20 structure-borne sound probe is preferred for use when the installation space is limited.
The type of coupling depends on the type of test. For recurring measurements with recording of measurement data, the ultrasonic probe can be fixed with a magnetic base or universal magnet. For continuous monitoring or fixed installation within a safety cover/zone, the probe is screwed on with a cap screw.
In combination with our stationary sensor box (S-SB10), alarm values are issued when the threshold values previously tailored to your asset are exceeded. These can then be received directly in your control room by integrating them into a PLC, for example, and appropriate measures can be initiated.
The T20 structure-borne sound probe differs from classic accelerometers due to its innovative transducer principle. The centerpiece is a piezocomposite material developed and manufactured in-house by SONOTEC, the use of which achieves an almost linear frequency response with excellent sensor sensitivity.
This principle allows even short-term and simultaneously high-frequency signals to be detected, which are significantly lower in energy compared to a continuous oscillation. The sensors developed by SONOTEC specifically for this purpose are able to adequately detect these signals, which is exactly where the advantage of ultrasonic sensors over acceleration sensors lies. These specially designed broadband ultrasonic transducers are far superior to most standard sensors. With these structure-borne sound sensors it is possible to detect high-frequency signals, for example on the rolling bearing housing, long before this is possible with acceleration sensors.