DataViewer
for LevelMeter® App
Advantages at a Glance
- Display of the LevelMeter® recordings on the computer
- Detailed depiction of the level curve, spectrogram and spectrum
- Simultaneous playback of audio data
- Display of the photos, notes and voice memos for the measurement data
- CSV export of the measurement data
Evaluation of test data recorded with the LevelMeter® app
The SONAPHONE® DataViewer software can be used to evaluate test data recorded with the LevelMeter app on a Windows PC or tablet.
Clear presentation
The folders and measurements selected when exporting test data are clearly listed together with the associated photos, text comments and voice memos in order that individual measurements can be retrieved more quickly.
Visualization and data processing
Recorded test data can be played back and is represented by means of suitable diagrams for
level graph and spectrogram. Individual areas can be focused on here over the time
progression of the test data, and can be exported for further processing.
Electrical Inspection | Example 1
- Type of partial discharge: Tracking on an insulator
- Characteristics: Discharge peaks, usually at irregular intervals | "Crackling" background noise and other irregular "popping" sounds
- Equipment: SONAPHONE with airborne sound sensor BS10
Electrical Inspection | Example 2
- Type of partial discharge: Corona on an insulator
- Characteristics: Crackling sound that is uniform
- Equipment: SONAPHONE with airborne sound sensor BS10
Electrical Inspection | Example 3
- Type of partial discharge: Arcing
- Characteristics: Short and striking bursting noises
- Equipment: SONAPHONE with airborne sound sensor BS10
Electrical Inspection | Example 4
- Type of partial discharge: Corona on a control cabinet
- Characteristics: Crackling sound that is uniform
- Equipment: SONAPHONE with airborne sound sensor BS10
Electrical Inspection | Example 5
- Type of partial discharge: Corona on an insulator
- Characteristics: Crackling sound that is uniform
- Equipment: SONAPHONE with parabolic sensor BS30
- Distance: <20 meters
Electrical Inspection | Example 6
- Type of partial discharge: Tracking on an insulator
- Characteristics: Discharge peaks, usually at irregular intervals
- Equipment: SONAPHONE with parabolic sensor BS30
- Distance: 10 meters
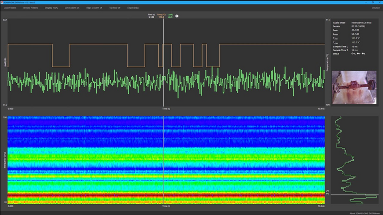
Comparison of 2 Bearings | Example 1
- Bearing comparison on 2 pumps (same bearings / same load / same manufacturer)
- Equipment: SONAPHONE and BS20 with long waveguide
- Recorded at the grease zerp
- Bearing failure at bearing 1
Comparison of 2 Bearings | Example 2
- Bearing comparison on 2 pumps (same bearings / same load / same manufacturer)
- Equipment: SONAPHONE and BS20 with long waveguide
- Recorded at the grease zerp
- Bearing failure at bearing 1
Float Steam Trap (Mechanical Steam Trap): Faulty | Intact | Example 1
- Comparison of two bimetallic steam traps (same pressure / same type / same manufacturer)
- Equipment: SONAPHONE and BS20 with long waveguide
- Trap 1: faulty
- Trap 2: intact
Bimetallic Steam Trap: Faulty | Intact | Example 2
- Comparison of two bimetallic steam traps (same pressure / same type / same manufacturer)
- Equipment: SONAPHONE and BS20 with long waveguide
- Trap 1: faulty
- Trap 2: intact
Thermodynamic Steam Trap: Faulty | Intact | Example 3
- Comparison of two thermodynamic steam traps (same pressure / same type / same manufacturer)
- Equipment: SONAPHONE and BS20 with long waveguide
- Trap 1: faulty
- Trap 2: intact
Thermostatic Steam Trap: Faulty | Intact | Example 4
- Comparison of two thermostatic steam traps (same pressure / same type / same manufacturer)
- Equipment: SONAPHONE and BS20 with long waveguide
- Trap 1: faulty
- Trap 2: intact
Do you have any questions?
Feel free to contact us! We will be happy to help you.